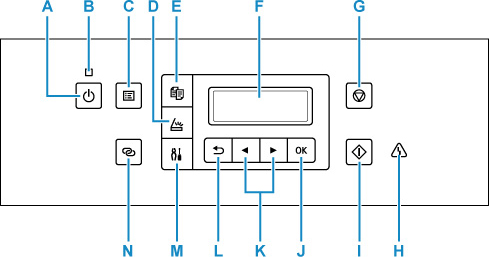
Manöverpanel

- A: PÅ (ON)-knappen
-
Används för att slå på och stänga av strömmen. Kontrollera att dokumentluckan är stängd innan du slår på enheten.
- B: Lampan PÅ (ON)
- Tänds efter att ha blinkat när strömmen slås på.
- C: MENY (MENU)-knappen
- Visar skärmen Kopieringsmeny (Copy menu) eller Skanningsmeny (Scan menu).
- D: Knappen SKANNA (SCAN)
- Växlar skrivaren till skanningsläget.
- E: KOPIERA (COPY)-knappen
- Växlar skrivaren till kopieringsläget.
- F: LCD (Liquid Crystal Display)
- Visar meddelanden, menyalternativ och driftstatus.
- G: Knappen Stopp (Stop)
- Avbryter en pågående utskrift, kopiering eller skanning.
- H: Lampan Alarm
- Lyser eller blinkar när ett fel inträffar.
- I: Start-knappen
- Starta kopiering, skanning osv.
- J: Knappen OK
- Används för att bekräfta ditt val av en meny eller ett inställningsalternativ. Den här knappen används också till att åtgärda ett fel eller att mata ut dokument i ADF (automatisk dokumentmatare).
- K: Knapparna
och 
-
Används för att välja en inställning. Knapparna används även för att ange tecken.
- L: Knappen Bakåt (Back)
- Återgår till den föregående skärmen på LCD-skärmen.
- M: Knappen Inställningar (Setup)
- Visar skärmen Inställningsmeny (Setup menu). På den här menyn kan du utföra underhåll av skrivaren och ändra skrivarinställningar. Används även för att välja inmatningsläge.
- N: Knappen Trådlös anslutning (Wireless connect)
- För att ange information om trådlös router i skrivaren direkt från en smarttelefon eller annan liknande enhet (utan att behöva göra något i routern) håller du ned den här knappen.

